XYLINDER OUTDOOR
Xerafy XYLINDER OUTDOORは、円筒形資産向け曲面対応RFIDタグ。NXP UCODE8搭載。金属面3m読取。グローバル周波数対応、IP68。LPGシリンダー・ガスシリンダー・ビールケグ向け。
選ばれる理由
曲面対応設計 - 円筒形資産に最適
XYLINDER OUTDOORは、LPGガスシリンダーやビールケグなどの円筒形表面に適合するように設計された曲面対応RFIDタグです。特殊な形状により、従来のフラットなタグでは難しかった円形資産への取付が容易になり、安定した読取性能を発揮します。
優れた読取性能 - 金属面に最適化
金属面で最大3mの読取範囲を実現し、NXP UCODE8チップを搭載することで安定した読取性能を提供します。860-960MHzのグローバル周波数に対応しており、世界中で使用可能です。
高い耐久性 - 衝撃や衝突からの保護
堅牢な設計により、衝撃や衝突からタグを保護し、過酷な取扱いが想定される環境でも安定した性能を維持します。1mからのコンクリート/花崗岩への落下に対する耐性や、MIL-STD-810G準拠の振動耐性を持ちます。
防水防塵性能 - 洗浄や屋外環境に対応
IP68の高い防水防塵性能により、定期的な洗浄や屋外環境での使用にも対応します。-40℃~+85℃の広い温度範囲で動作し、様々な気象条件下での使用が可能です。
放射パターン
金属シリンダー上のアンテナパターン
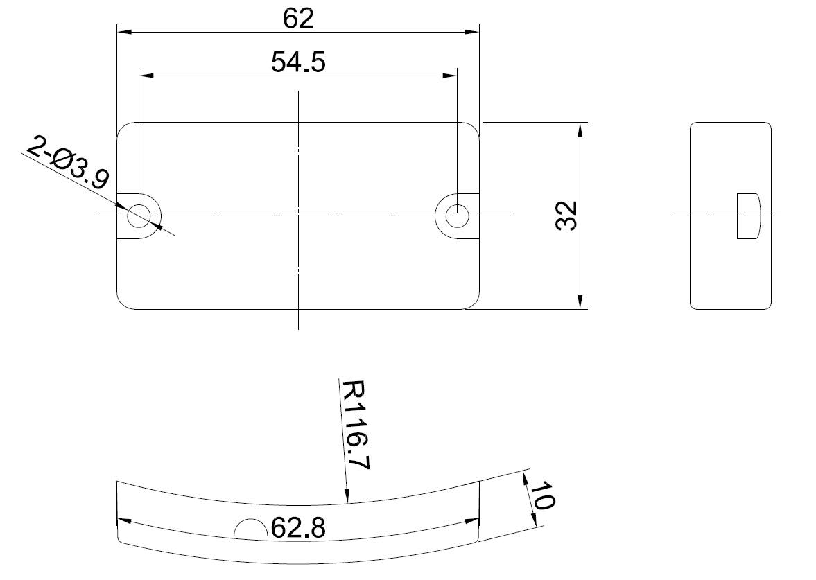
サイズ
物理仕様
- 材質:産業用グレードポリマー
- 曲面対応設計
- 高い防水防塵性能(IP68)
アプリケーション
使用想定場所
- LPGシリンダー
- LPGタンク
- 産業用ガスシリンダー
- ビールケグ
取付方法
取付オプション
- 産業用接着剤
- M3リベット(オプション)
取付手順(産業用接着剤)
- 取付面を清潔にし、完全に乾燥させます。
- 産業用接着剤をタグの裏面に適量塗布します。
- タグをシリンダーの曲面に沿って配置し、しっかり押し付けます。
- 接着剤が完全に硬化するまで待ちます。
カスタムオプション
エンコーディング
印刷
レーザーマーキング
詳細仕様
| 仕様 | |
|---|---|
| 周波数帯 | 860–960 MHz(グローバル) |
| エアインターフェース | EPCglobal Class 1 Gen 2 / ISO 18000-6C |
| ICチップ | NXP UCODE8 |
| メモリ | 128ビット EPC、96ビット TID |
| 偏波 | 直線偏波 |
| 読取範囲(固定型) | 最大約3 m(金属面) |
| 材質 | 産業用グレードポリマー |
| 動作温度 | -40 ℃ ~ +85 ℃ |
| 保管温度 | -40 ℃ ~ +85 ℃ |
| 保護等級 | IP68 |
| 圧縮強度 | 35 psi(241 kPa) |
| 落下耐性 | 1mからコンクリート/花崗岩への落下に耐性 |
| 振動 | MIL-STD-810G |
| 業界コンプライアンス | RAIN RFID、RoHS、REACH、CE、ETSI、FCC、ISO 9001:2015、ISO 14001 |
| 保証期間 | 1年 |
* 記載された外観、仕様等は予告なく変更する場合があります。
* 読取範囲は使用するリーダーや環境によって異なります。
* 取付方法は使用環境に応じて適切なものを選択してください。
注文情報
| 地域 | バリアント | SKU |
|---|---|---|
| GL | グローバルモデル(UCODE8) | X52228-GL000-U8 |
- 記載された外観、仕様等は予告なく変更する場合があります。
- 読取範囲は使用するリーダーや環境によって異なります。
- 取付方法は使用環境に応じて適切なものを選択してください。
お問い合わせ
当社や商品に関することなど、お気軽にお問い合わせください。
お問い合わせフォームページに移動します。RFID機器、自動認識システム、ソフトウェア開発に関するご相談を承っております。
よくある質問ページに移動します。一般的なお問い合わせ内容とその回答をご覧いただけます。