XENSE Strain
Xerafy XENSE Strainは、電池不要のコンクリートひずみ監視RFIDセンサー。131.6×30.8×7.5mm、42g。Asygn AS3213S搭載。コンクリート内2m読取。温度・ひずみセンサー対応、IP68。建設・インフラ向け。
選ばれる理由
ひずみ監視 - コンクリート構造物に最適
コンクリート構造物の歪み監視を目的に設計された専用センサー。コンクリートに埋め込むことが可能で、橋梁、建築物、鉄道枕木などのインフラ構造物のひずみをリアルタイムで監視できます。
高精度温度センサー - ±1℃の精度
温度センサーは-40℃~+120℃の範囲で動作し、分解能±0.5℃、精度±1℃を実現。コンクリート硬化過程の温度変化やインフラ構造物の温度監視に最適です。
高圧縮強度 - 60 MPaの耐圧性
8,700 psi(60 MPa)の高圧縮強度を持ち、コンクリート構造物内での高い圧力環境でも安定した性能を発揮。業界グレードポリマーを使用した堅牢な設計で、長期間の使用に対応します。
コンクリート埋め込み対応 - 最大2mの読取距離
コンクリート内に埋め込んだ状態で最大2mの読取距離を実現。Asygn AS3213Sセンサーチップを搭載し、バッテリー不要でメンテナンスフリーの長期運用が可能です。
放射パターン
コンクリート埋め込み時のアンテナパターン
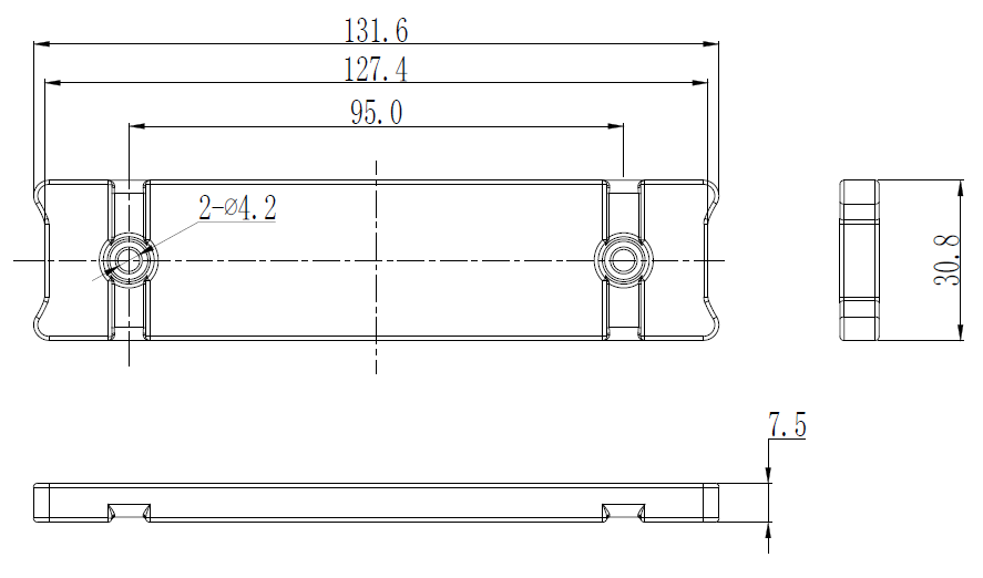
サイズ
物理仕様
- 材質:業界グレードポリマー
- 寸法:131.60 mm × 30.80 mm × 7.50 mm
- 重量:42 g
- リベット穴径:4.20 mm ± 0.20 mm
アプリケーション
使用想定場所
- コンクリート強度監視
- インフラ管理
- 鉄道コンクリート枕木
- 橋梁・建築物の構造監視
取付方法
取付オプション
- コンクリート埋め込み
- リベット(φ4.2mm)
- ケーブルタイ
取付手順
- コンクリート打設前に、センサーを鉄筋にケーブルタイで固定します。
- センサーの向きを確認し、読取方向を確保します。
- コンクリートを打設し、センサーを埋め込みます。
カスタムオプション
エンコーディング
詳細仕様
| 仕様 | |
|---|---|
| 周波数帯 | 902–928 MHz(US)/ 865–868 MHz(EU) |
| エアインターフェース | EPCglobal Class 1 Gen 2 / ISO 18000-6C |
| ICチップ | Asygn AS3213S |
| メモリ | 192ビット EPC、16ビット TID、96ビット ユーザーメモリ |
| 偏波 | 直線偏波 |
| 読取範囲(コンクリート内) | 最大約2 m |
| 温度センサー範囲 | -40 ℃ ~ +120 ℃ |
| 温度分解能 | ±0.5 ℃ |
| 温度精度 | ±1 ℃ |
| 材質 | 業界グレードポリマー |
| 動作温度 | -40 ℃ ~ +85 ℃ |
| 耐久温度 | -40 ℃ ~ +120 ℃ |
| 保護等級 | IP68 |
| 圧縮強度 | 8,700 psi(60 MPa) |
| 落下耐性 | 1mからコンクリート/花崗岩への落下に耐性 |
| 振動 | MIL-STD-810G |
| 寸法 | 131.60 mm × 30.80 mm × 7.50 mm |
| 重量 | 42 g |
| リベット穴径 | 4.20 mm ± 0.20 mm |
| 業界コンプライアンス | RAIN RFID、RoHS、REACH、CE、ETSI、FCC |
| 保証期間 | 1年 |
* 記載された外観、仕様等は予告なく変更する場合があります。
* 読取範囲は使用するリーダーや環境によって異なります。
* センサー精度は環境条件により変動する場合があります。
注文情報
| 地域 | バリアント | SKU |
|---|---|---|
| US | 米国モデル(AS3213S) | X13130-US000-AS |
| EU | 欧州モデル(AS3213S) | X13130-EU000-AS |
- 記載された外観、仕様等は予告なく変更する場合があります。
- 読取範囲は使用するリーダーや環境によって異なります。
- センサー精度は環境条件により変動する場合があります。
お問い合わせ
当社や商品に関することなど、お気軽にお問い合わせください。
お問い合わせフォームページに移動します。RFID機器、自動認識システム、ソフトウェア開発に関するご相談を承っております。
よくある質問ページに移動します。一般的なお問い合わせ内容とその回答をご覧いただけます。